Qolsys/DSC Monthly Tech Tips From Daniel Johnson
Daniel Johnson from Qolsys/DSC sends out a monthly tech tip. We are keeping an archive here so you can access them anytime.
Click Here to register for his Monthly Tech Tip email.

March 2026 - IQ Panel 5, PowerG Device Testing

February 2026 - IQ Panel 5 & PowerG Devices - Install Manuals

January 2026 - Fire Alarm Reset on the IQPro panel with the HS2TCHPN touchscreen

November 2025 - Setup your Neo panel to rearm after a specific time.

October 2025 - Programming the new PGP9986 Water Tile with a Neo Panel

September 2025 - Programming the new PGP9986 Water Tile with an IQ Panel

August 2025 - Using a Command Output to control NEO PGMs

April 2025 - Programming options for the Neo to reduce changes to the keypad during religious observances.
.png)
March 2025 - Secure the tamper boot on the PG9WLS and PG9HRD hardwired to wireless expanders.
.png)
February 2025 - Use a drinking straw to keep the secondary radio antenna on the IQ Panel4 straight (loose antenna version)

January 2025 - Create an easy way to arm the IQ4 panel in Stay without an entry delay.

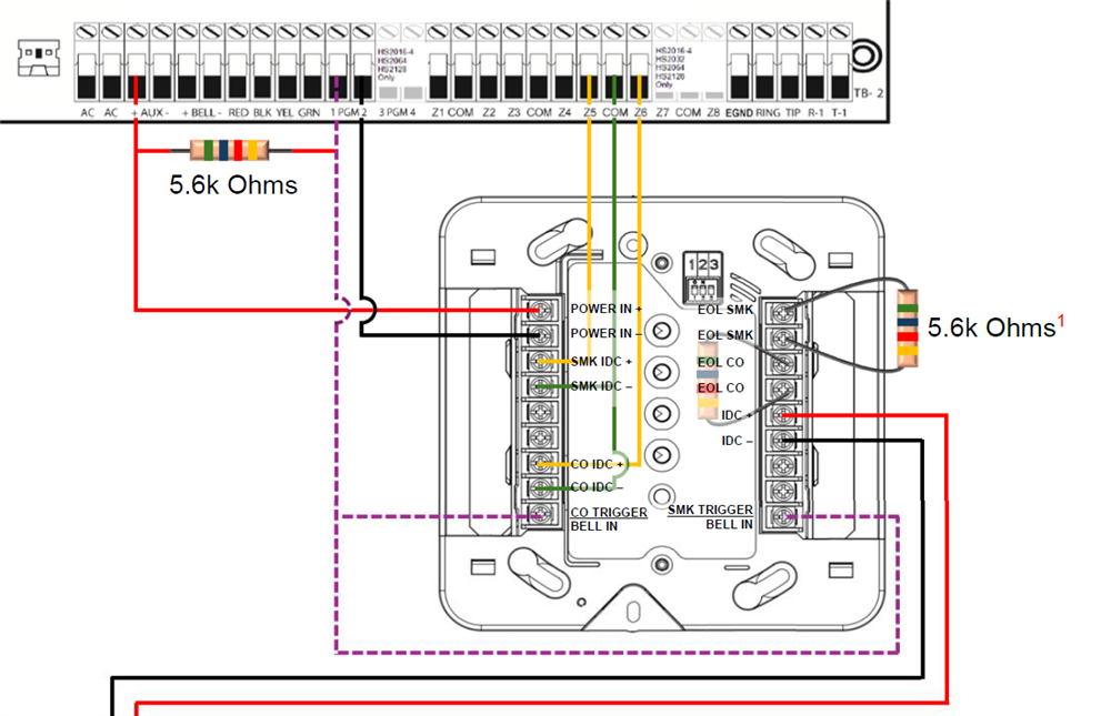
December 2024 - Using the System Sensor COSMOD with the Qolsy IQ4 panel and the PG9WLS or PG9HRD hardwired expansion module

November 2024 - Updating the Firmware on an IQ Pro Panel via the built-in Access Point

October 2024 - Using Keyswitch Arm/Disarm with a Qolsys IQPro panel

September 2024 - Using Keyswitch Arm/Disarm with a Qolsys IQ4 Panel
August 2024 - Turning your IQ Panel 4 v4.5.0 and higher into dark mode

July 2024 - Using the System Sensor COSMOD2W and COSMO-2W in conjunction with the DSC Neo Panels.

June 2024 - Using the System Sensor COSMOD2W and 2WTA-B in conjunction with the DSC Neo Panels.

May 2024 - Using the System Sensor RRS-MOD with the NEO panel and 2WTA-B smoke detectors.

April 2024 - 2-Wire Smoke Compatibility with the Neo panels

March 2024 - Neo Keypad - Updating the Firmware to v1.50 to fix the issue mentioned in this Technical Advisory.

February 2024 - Using Alarm.com Scenes to Disarm your panel upon unlocking site using the IQ Lock PG.
January 2024 - Night Arm for the Qolsys IQ Panel 4, Learn how night arm works and how to program your zones to make it work.